90x90cm Double Door Corner Shower Screen with Channels and SS Hinges – White
$1,544.99 Original price was: $1,544.99.$833.99Current price is: $833.99.
In stock
- Fast worldwide shipping on every order.
- Your order arrives in 7–15 business days with tracking provided.
- Shop risk-free with our 14-day hassle-free returns.
- Your transactions are SSL-encrypted and 100% safe.
- We offer fast, friendly customer support whenever you need help.
Description
Unlock the ultimate bathroom transformation with our Double Door Corner Shower Screen a groundbreaking solution that redefines spatial elegance and functionality. This architectural marvel seamlessly integrates a precision-engineered wall channel system, creating an unprecedented showering experience that transcends traditional design boundaries. Crafted from ultra-premium tempered glass, the screen delivers exceptional clarity and structural integrity.
The innovative corner configuration features twin doors that glide with remarkable smoothness, offering expansive access and superior water management. An integrated wall channel provides a minimalist mounting solution that eliminates visual clutter, creating an illusion of expanded space. Complemented by sophisticated stainless steel hinges, this shower screen embodies the perfect synergy between advanced engineering and contemporary aesthetic sensibilities.
More than a mere bathroom fixture, it's a statement of design intelligence that elevates your daily ritual.
You will receive:
61 x 199cm Frameless Shower Screen Door for 10mm Door Handle x 2
Transform Your Wall-to-Wall Shower into a Stunning Corner Oasis!
Looking to make the most of your bathroom space while adding elegance and functionality? Our frameless shower door is designed to fit seamlessly into your space. With premium tempered glass, we’ll turn your traditional wall-to-wall shower into a sophisticated corner enclosure that maximises space and light.
Specifications:
- 10mm AS-NZS2208 standard glass
- 1x Door Panel: 610 x 1990mm
- Door handle hole: 10mm
28 x 200cm Frameless Hinge Glass Panel for Shower Screen x 2
Looking to make the most of your bathroom space while adding elegance and functionality? Our hinged frameless shower panel is designed to fit seamlessly into your space. Whether for a wall to wall screen or corner shower, this premium tempered glass will fit seamlessly into your bathroom renovation.
Specifications:
- 10mm AS-NZS2208 standard glass
- 1x Hinge Panel: 280 x 2000mm
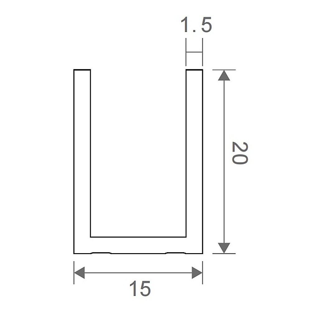
Wall Channel in Matte White x 2
- Channel Length: 2100mm;to be cut to size upon installation
- Material: Matte White Powder-coated Aluminium
- Height: 21.5mm
- Width: 15mm
- Thickness: 1.5mm
- Glass thickness: 10mm
(Note: Images may show other optional accessories (e.g. wall/floor brackets) which are for illustrative purposes only. Only the variant with selected wall channels will be provided as described, unless selected together in bundle.)
180° Wall-to-Wall Shower Door Hinge in Matte White x 2
Crafted from stainless steel, the shower door hinge is built to accommodate 10mm toughened safety glass. It swings a full 90 degrees in both directions and automatically centers itself within 25 and will automatically close.
Features:
- Stainless steel with squared edges
- Dual action opens inwards and outwards
Specifications:
- For glass thickness of 10mm
- Self-centers within 25 and will automatically close
- Clamping plates pre-glued with EPDM 119mm gaskets for easy fitting
- Maximum weight capacity: 45kg
- Finish: Matte White(Colour intensity may vary from actual due to different lighting conditions)
- Quantity: 1 pair (2pcs)
24mm Brass Shower Door Round Handle in Matte White x 2
Installation is straightforward and hassle-free; it can be directly mounted onto the glass door.
Crafted from solid brass with a smooth finished surface, it's comfortable to touch and resistant to rust and corrosion. The handle design is sleek and minimalist, complementing nearly every style. Additionally, the door handle includes plastic gaskets for added protection for the shower door.
Specifications:
- Round knob with two circular grooves
- Slimline Ø24mm double pull knob
- Suits6mm, 8mm, 10mm, and 12mm thick glass
- Material : Brass
- Finish : Matte White(Colour intensity may vary from actual due to different lighting conditions)
Attributes:
- Size: 90x90cm
- Colour: White
- Handle Type: Round
Note:
COM (change of mind) Return Policy:
The product must be unopened and in brand new condition, with the return to be organised by the customer. Once received and verified to be in the condition specified, refund is only of the item value minus 15% restocking fee (not including initial shipping). An additional return charge, which is same cost as that of initial shipping, will be deducted from the refund on returns due to delivery failure caused by customer error. For the health and safety of our staff and other customers, we are unable to accept returns of personal use items.
Specification
| Weight | 101.8000 kg |
|---|---|
| Dimensions | 213.0000 × 68.0000 × 57.0000 cm |
| Color |
